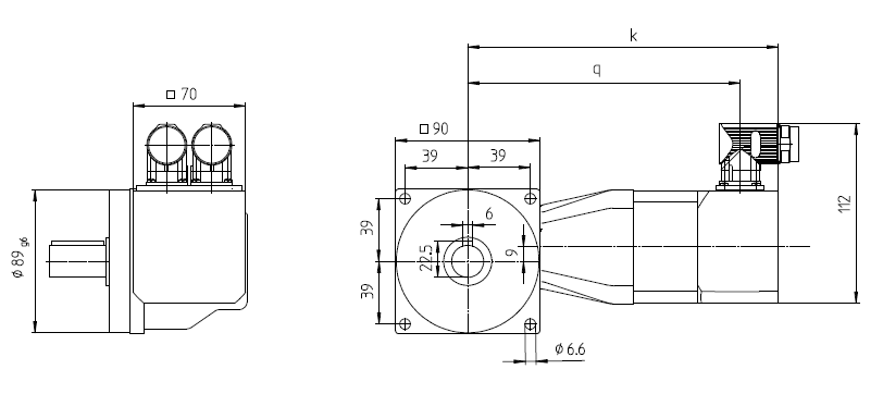
AUTOMATION - Servo-Getriebemotor mit Kegelradgetriebe
Technologie:
Synchontechnik + Kegelradgetriebe
Motortype:
KSY-Motor mit integriertem Kegelradgetriebe
Einsatzgebiet:
Siebdruckmaschinen
Besondere Vorteile:
- integriertes Kegelradgetriebe
- kompakte Bauweise

